TRZ 120VUC 1CO 16A

TERMSERIES, Modulo a relè, Numero di contatti: 1, Contatto di scambio AgNi, Tensione nominale: 120 V UC ±10 %, Corrente permanente: 16 A, Molla autobloccante, Tasto di prova disponibile: No

N. articolo 1479890000

Omologazioni

Omologazioni
ROHS
UL File Number Search
N° Certificato (cULus)

Dati generali per l’ordinazione

Versione
N. d’ordine
Tipo
GTIN (EAN)
CPZ

Dimensioni e pesi

Profondità
Profondità (pollici)
Posizione verticale
Altezza (pollici)
Larghezza
Larghezza (pollici)
Peso netto

Temperature

Temperatura di magazzinaggio
Temperatura ambiente
Umidità

Conformità ambientale del prodotto

Stato conformità RoHS
Esenzione RoHS (se applicabile/nota)
REACH SVHC
SCIP

Dati di dimensionamento UL

Temperatura ambiente (operativa), max.
Derating corrente d'uscita (ohmico)
Sezione di collegamento AWG, min.
Sezione di collegamento AWG, max.
Tipo di cavo
Grado di lordura

lato di comando

Tensione nominale
Corrente nominale AC
Corrente nominale DC
Potenza nominale
Indicatore di stato
Circuito di protezione
La tensione bobina del relè sostituivo devia dalla tensione pilota di dimensionamento
Tensione bobina del relè sostitutivo

Lato di carico

Tensione di commutazione nominale
Corrente permanente
Max. frequenza di commutazione con carico nominale
Tensione di commutazion AC, max.
Tensione di commutazion DC, max.
Potenza di commutazione min.
Corrente di punta
Potenza di commutazione AC (ohmica), max.
Potenza di commutazione DC (ohmica), max.
Ritardo all'inserzione
Ritardo alla disinserzione
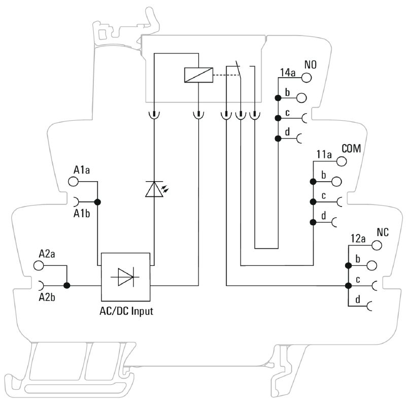
Tipo di contatto
Durata meccanica

Dati generali

Altitudine di esercizio
Guida equipaggiata
Tasto di prova disponibile
Indicatore di posizione dell'interruttore meccanico
Colori
Componente classe d’infiammabilità UL94

Cordinazione di isolamento

Tensione nominale
Grado di lordura
Classe di sovratensione
Distanza in aria e superficiale lato comando/lato di carico
Rigidità dielettrica lato comando - lato di carico
Tipo di isolamento in ingresso e in uscita
Rigidità dielettrica del contatto aperto
Rigidità dielettrica rispetto alla guida di supporto
Tensione impulsiva massima
Grado di protezione

Ulteriori dettagli sulle approvazioni / norme

N° certificato (DNV)
N° Certificato (cULus)

Dati di collegamento

Tecnica di collegamento cavi
Lunghezza di spellatura, collegamento di dimensionamento
Campo di serraggio, collegamento di dimensionamento
Campo di sezioni, min.
Campo di sezioni, max.
Sezione di collegamento cavo AWG, min.
Sezione di collegamento cavo AWG, max.
Sezione di collegamento cavo, rigido, min.
Sezione di collegamento cavo, rigido, max.
Sezione di collegamento cavo, rigido, min. (AWG)
Sezione di collegamento cavo, rigido, max. (AWG)
Sezione di collegamento cavo, flessibile, min.
Sezione di collegamento cavo, flessibile, max.
Sezione di collegamento cavo, flessibile, min. (AWG)
Sezione di collegamento cavo, flessibile, max. (AWG)
Sezione di collegamento cavo, flessibile con terminali DIN 46228/4, min.
Sezione di collegamento cavo, flessibile con terminali DIN 46228/4, max.
Sezione di collegamento cavo, flessibile, AEH (DIN 46228-1), min.
Sezione di collegamento cavo, flessibile, AEH (DIN 46228-1), max.
Dimensione lama

Classificazioni

ETIM 8.0
ETIM 9.0
ETIM 10.0
ECLASS 14.0
ECLASS 15.0