PVN DC 2I 1O 1MPP RD WM4 11

Fotovoltaico, Quadro di stringa, Switch del pompiere, PV Next, 1 MPP, 2 ingressi / 1 uscita per MPP, Disconnessione a distanza, WM4C, 1100 V

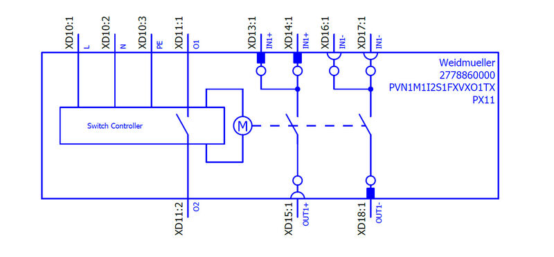
N. articolo 2778860000

Omologazioni

Omologazioni
ROHS

Dati generali per l’ordinazione

Versione
N. d’ordine
Tipo
GTIN (EAN)
CPZ

Dimensioni e pesi

Profondità
Profondità (pollici)
Posizione verticale
Altezza (pollici)
Larghezza
Larghezza (pollici)
Peso netto

Temperature

Temperatura ambiente
Umidità

Conformità ambientale del prodotto

Stato conformità RoHS
Esenzione RoHS (se applicabile/nota)
REACH SVHC
SCIP

Incluso nella fornitura

Accessori inclusi

Garanzia

Periodo

Caratteristiche elettriche

Corrente DC nominale per collegamento
Corrente per punto di massima potenza, max.
Resistenza di corrente nominale di breve durata
Tensione DC nominale

Custodie

Classe di protezione
Fissaggio della custodia
Materiale isolante
Resistenza agli urti
Stringa per tipo di collegamento
Tipo di montaggio

Dati generali

Grado di protezione
Luogo di installazione

Ingressi

Fuses
Ingresso DC + & -
Numero di ingressi del condotto
Numero di ingressi stringa per MPP
Numero massimo di ingressi DC
Quantità di punti di massima potenza (MPP)
Tipo di fusibile
Numero di ingressi

Uscite

Numero massimo di uscite DC
Uscita DC + & -

Disconnettore remoto

Richiusura automatica dopo una caduta di tensione
Numero di cicli operativi
Tensione di comando
Contatto ausiliario di disconnessione remota
Contatto del comando di disconnessione remota
Tipo di disconnessione del circuito di alimentazione
Tempo di disattivazione
Assorbimento di corrente dell’interruttore
Numero di cicli di interruzione alla corrente nominale
Esecuzione interruttore sezionatore
Capacità interruttore sezionatore

Nota importante

Informazioni sul prodotto

Classificazioni

ETIM 8.0
ETIM 9.0
ETIM 10.0
ECLASS 14.0
ECLASS 15.0

Testi descrittivi per l'offerta

Testo bando lungo