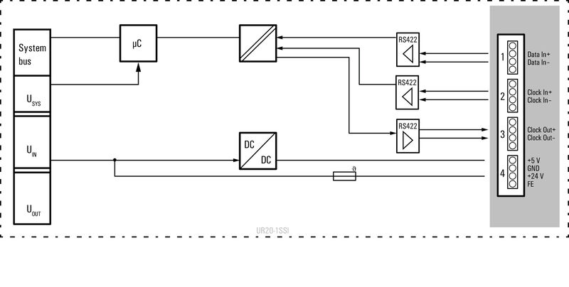
UR20-1SSI

Вынесенный модуль ввода-вывода, IP20, Соединение PUSH IN, одноканальный

№ продукта 1508090000

Сертификаты

Сертификаты
ROHS
UL File Number Search
Сертификат № (cULus)
Номер сертификата (cULusEX)

Основные данные для заказа

Версия
Заказ №
Тип
GTIN (EAN)
Кол.

Размеры и массы

Глубина
Глубина (дюймов)
Высота
Высота (в дюймах)
Ширина
Ширина (в дюймах)
Размеры крепежа, высота
Масса нетто

Температуры

Температура хранения
Рабочая температура

Экологическое соответствие изделия

Состояние соответствия RoHS
Исключение из RoHS (если применимо/известно)
REACH SVHC
SCIP
Углеродный след продукта

цифровые вводы

Защита от переполюсовки
Питание датчика

Интерфейс IO-Link

Доступна диагностика отдельных каналов интерфейсов IO-Link
Количество интерфейсов IO-Link

Данные соединения

Вид соединения
Сечение подключаемого провода, гибкого, макс. (AWG)
Сечение подключаемого провода, гибкого, мин. (AWG)
Сечение подключаемого провода, одножильного, макс. (AWG)
Сечение подключаемого провода, одножильного, мин.
Сечение подключаемого провода, одножильного, мин. (AWG)
Сечение подключаемого проводника, однопроволочного, макс.
Сечение подключаемого проводника, тонкопроволочного, макс.
Сечение подсоединяемого провода, тонкий скрученный, мин.

Общие данные

Вибростойкость
Влажность воздуха (процесс)
Влажность воздуха (транспортировка)
Влажность воздуха (хранение)
Давление воздуха (процесс)
Давление воздуха (транспортировка)
Давление воздуха (хранение)
Испытательное напряжение
Категория перенапряжения
Класс пожаростойкости UL 94
Степень загрязнения
Ударная нагрузка
Укомплектованная монтажная рейка

Электропитание

Защита от переполюсовки
Напряжение питания
Потребляемый ток от IВХ. (соответствующий сегмент электропитания)
Потребляемый ток от IВЫХ. (соответствующий сегмент электропитания)
Потребляемый ток от Iсист., тип.

Последовательные входы

Время задержки
Длина кабеля
Режим SSI
Формат данных

Системные данные

Вид модуля
Гальваническая развязка
Интерфейс
Протокол полевой шины
Скорость передачи системной шины, макс.

Классификации

ETIM 8.0
ETIM 9.0
ETIM 10.0
ECLASS 14.0
ECLASS 15.0