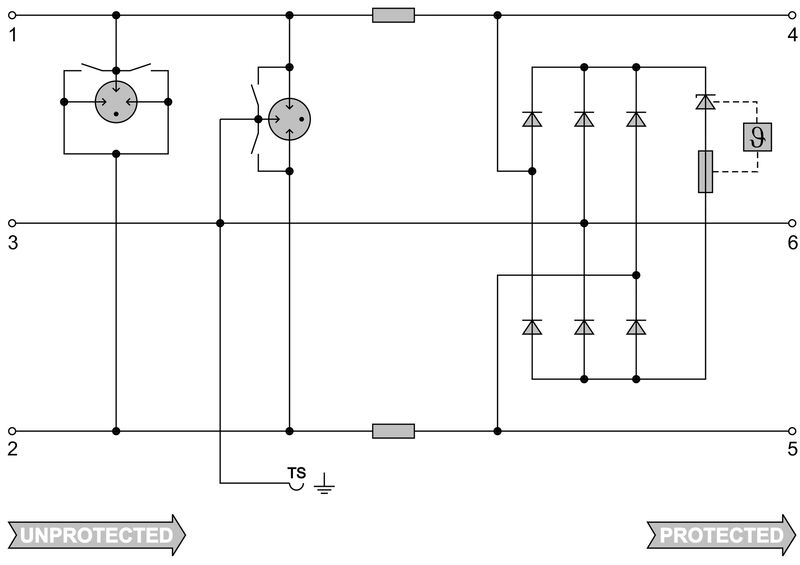
VSSC6 RS485 DP

Surge protection for instrumentation and control, Surge protection for measurement and control, UP(L/N-PE) ≤ 100 V

Product ID 1065010000

Approvals

Approvals
ROHS
UL File Number Search
Certificate No. (UL)

General ordering data

Version
Order No.
Type
GTIN (EAN)
Qty.

Dimensions and weights

Depth
Depth (inches)
Height
Height (inches)
Width
Width (inches)
Net weight

Temperatures

Storage temperature
Operating temperature
Humidity

Probability of failure

SIL in compliance with IEC 61508
MTTF
SFF
λges
PFH in 1*10-9 per hour

Environmental Product Compliance

RoHS Compliance Status
RoHS Exemption (if applicable/known)
REACH SVHC
SCIP

Rated data UL

Certificate No. (UL)
UL certificate

CSA protection data

Gas group C
Gas group D
Gas groups A, B
Input voltage, max. Ui
Input-current, max. II
Internal capacity, max. CI
Internal inductance, max. LI

General data

Colour
Design
Isolating function
Mounting rail
Optical function display
Protection degree
Segment
UL 94 flammability rating
Version

Insulation coordination acc. to EN 50178

Pollution severity
Surge voltage category

Rated data IEC / EN

Discharge current Imax (8/20µs) wire-PE
Discharge current Imax (8/20µs) wire-wire
Discharge current In (8/20µs) wire-PE
Discharge current In (8/20µs) wire-wire
Discharge current, max. (8/20 µs)
Insertion loss
Lightning test current Iimp (10/350 µs)
Lightning test current, Iimp (10/350 µs) Wire-PE
Max. continuous voltage, Uc (DC)
Number of poles
Overload - failure mode
Protection level UP (typ.)
Pulse-reset capacity
Rated current IN
Rated voltage (DC)
Requirements category acc. to IEC 61643-21
Signal transmission properties (-3 dB)
Standards
Surge current-carrying capacity C2
Surge current-carrying capacity C3
Surge current-carrying capacity D1
Voltage type
Volume resistance

Further details of approvals

GOST certificate

Connection data

Stripping length
Type of connection
Tightening torque, min.
Tightening torque, max.
Clamping range, min.
Clamping range, max.
Wire cross-section, solid, min.
Wire cross-section, solid, max.
Conductor cross-section, flexible, AEH (DIN 46228-1), min.
Conductor cross-section, flexible, AEH (DIN 46228-1), max.
Connection cross-section, stranded, min.
Connection cross-section, stranded, max.

Electrical data

Voltage type

General data

Number of poles
Protection degree
Colour

Ratings IECEx/ATEX/cUL

cUL certificate

Important note

Product information

Classifications

ETIM 6.0
ETIM 7.0
ETIM 8.0
ETIM 9.0
ETIM 10.0
ECLASS 9.0
ECLASS 9.1
ECLASS 10.0
ECLASS 11.0
ECLASS 12.0
ECLASS 13.0
ECLASS 14.0
ECLASS 15.0

Tender specification sheets

Long specification
Short specification